Dom / Industrija / Rudarstvo / Rudarstvo
Tvrtka za ležaj i prijenos Shanghai Yinin
Tvrtka za ležaj i prijenos Shanghai Yinin

Rudarstvo

Ležajevi se koriste u raznim rudarskim opremi, kao što su bageri, utovarivači, postrojenja za bušenje, drobilice itd. Da bi izdržali aksijalno, radijalno i kombinirano opterećenje. $

Kontaktirajte nas

Povezani proizvodi

  • ×

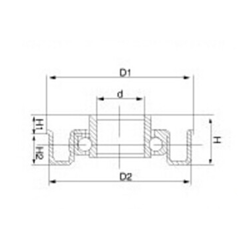
    Stavka br. D1 D2 H H1 H2 d Primjedba
    MTR42.2 42.3 38,2 0,1 16.3 5.5 10.8 12,2 0,05 Crni unutarnji prsten
    MTR48.6 48.2 44 0.1 16 5.5 10.5 12.2 Crni unutarnji prsten
    MTR50.8 50.5 48 0.1 17 5.5 11.5 12,2 0,05 Crni unutarnji prsten
    MTR60.45 58.5 55 0,1 18 5.5 12.5 12,2 0,05 Crni unutarnji prsten
    MTR38 38-0,01 35-0.1 15.8 3.8 12 10.2 Crni unutarnji prsten
    MTR59 59 0.1 56-0.1 19.5 5 14.5 12.2 Crni unutarnji prsten
    MTR59 59 0.1 56-0.1 19.5 5 14.5 12.2 Crni unutarnji prsten

    MTR serija

    MTR serije transporter valjkasti ležajevi su ležajevi visokih performansi dizajnirani za transportne sustave velikog opterećenja i velike brzine. Ova vrsta ležaja ima izvrsnu otpornost na hab...
    Parametri proizvoda
    MTR serija
  • ×

    Predmet br. D d H H1
    Kolo 650 49.5 6.5 23.5 14.5
    Kolo 1250 49.5 12 23.5 14.5
    Kolo 1144 44 11 13.5 12.5
    Kolo 1444 44 14 13.5 12.5
    Kolo 1040 40 10 13 12
    Kolo 1055 55 10 16 14
    Kolo 1255 55 12 16 14
    Kolo 1560 60 15 17 14.5
    Kolo 1260 60 12 17 14.5
    Kolo 0850 50 8 23.5 15
    Kolo 0638 38 6 11 25
    Kolo 0848 48 8 23.5 15
    Kolo 0648 48 6 24 15.4
    Kolo 0850-32 50 8 32 15

    Serija Kolo

    Kolektni ležajevi transportnih traka Kolo serije su visoki performansni ležajevi dizajnirani posebno za transportne sustave s izvrsnom izdržljivošću i pouzdanošću. Ovaj niz ležajeva izrađen je od v...
    Parametri proizvoda
    Serija Kolo
  • ×

    Predmet br. D D1 D2 R H H1 H2
    BT5/8 48.5 32.2 40 4 19.9 16.4 15.35
    Bt1 70 51 52 5.5 31 23.5 18
    BT1-1/4 86 63 70 7 39 31 22
    BT1-1/2 - - - - - - -

    BT serija

    BT serija koja prenose valjke ležajeve su visoke performanse posebno dizajnirane za prenošenje sustava i široko se koriste u opremi za prenošenje i rukovanje materijalima. Njegov jedinstveni dizajn...
    Parametri proizvoda
    BT serija
  • ×

    Oznaka Dimenzije (mm) Ocjene opterećenja (KN) α · ≈ Težina (kg)
    d D B C D1 min R1S min R2S min C Co
    Ge4uk 4 12 5 3 6 0.3 0.3 2.1 5.4 16 0.003
    Ge5uk 5 14 6 4 8 0.3 0.3 3.6 9.1 13 0.005
    Ge6uk 6 14 6 4 8 0.3 0.3 3.6 9.1 13 0.004
    Ge8uk 8 16 8 5 10 0.3 0.3 5.8 14 15 0.008
    GE10UK 10 19 9 6 13 0.3 0.3 8.6 21 12 0.011
    Ge12uk 12 22 10 7 15 0.3 0.3 11 28 10 0.015
    GE15UK 15 26 12 9 18 0.3 0.3 18 45 8 0.027
    GE17UK-2RS 17 30 14 10 20 0.3 0.3 22 56 10 0.041
    GE20UK-2RS 20 35 16 12 24 0.3 0.3 31 78 9 0.066
    GE25UK-2RS 25 42 20 16 29 0.6 0.6 51 127 7 0.119
    GE30UK-2RS 30 47 22 18 34 0.6 0.6 65 166 6 0.163
    GE35UK-2RS 35 55 25 20 39 0.6 1 112 224 6 0.233
    GE40UK-2RS 40 62 28 22 45 0.6 1 140 280 7 0.306
    GE45UK-2RS 45 68 32 25 50 0.6 1 180 360 7 0.427
    GE50UK-2RS 50 75 35 28 55 0.6 1 220 440 6 0.546
    GE60UK-2RS 60 90 44 36 66 1 1 345 695 6 1.04
    GE70UK-2RS 70 105 49 40 77 1 1 440 880 6 1.55
    GE80UK-2RS 80 120 55 45 88 1 1 567 1140 6 2.31
    GE90UK-2RS 90 130 60 50 98 1 1 690 1370 5 2.75
    GE100UK-2RS 100 150 70 55 109 1 1 858 1730 7 4.45
    GE110UK-2RS 110 160 70 55 120 1 1 924 1860 6 4.82
    GE120UK-2RS 120 180 85 70 130 1 1 1340 2700 6 8.05

    Ge ... UK-2RS

    GE ... UK-2RS sferni ležaj je visoki performansi koji se široko koristi u mehaničkoj opremi. Njegove dizajnerske značajke uključuju sferni oblik unutarnjih i vanjskih prstenova, što mu omogućava pr...
    Parametri proizvoda
    Ge ... UK-2RS
  • ×

    Oznaka Dimenzije (mm) Ocjene opterećenja (KN) α · ≈ Težina (kg)
    d D B C D1 min R1S min R2S min C Co
    Gbk5s 5 16 8 6 7.7 0.3 0.3 3.3 7.8 13 0.009
    Gbk6s 6 18 9 6.75 9 0.3 0.3 4.3 9.8 13 0.013
    Gbk8s 8 22 12 9 10.4 0.3 0.3 6.8 16 14 0.024
    Gebk10 10 26 14 10.5 12.9 0.3 0.6 10 23 14 0.039
    Gbk12s 12 30 16 12 15.4 0.3 0.6 13 31 13 0.058
    Gebk14s 14 34 19 13.5 16.9 0.3 0.6 17 40 16 0.084
    GEBK16S 16 38 21 15 19.4 0.3 0.6 21 50 15 0.111
    Gebk18s 18 42 23 16.5 21.9 0.3 0.6 26 61 15 0.16
    Gebk20s 20 46 25 18 24.4 0.3 0.6 31 73 15 0.21
    Gbk22s 22 50 28 20 25.8 0.3 0.6 38 88 15 0.26
    Gbk25s 25 56 31 22 29.6 0.6 0.6 47 110 15 0.39
    GEBK30 30 66 37 25 34.8 0.6 0.6 63 148 17 0.61
    Gebj5s 5 13 8 6 7.7 0.3 0.3 3.2 9 13 0.007
    Gebj6s 6 16 9 6.75 9 0.3 0.3 4.1 12 13 0.01
    Gebj8s 8 19 12 9 10.4 0.3 0.3 6.5 20 13 0.016
    Gebj10s 10 22 14 10.5 12.9 0.3 0.6 9.6 28 13 0.031
    Gebj12s 12 26 16 12 15.4 0.3 0.6 12 37 13 0.055
    Gebj14s 14 28 19 13.5 16.9 0.3 0.6 16 49 15 0.078
    Gebj16s 16 32 21 15 19.4 0.3 0.6 20 61 15 0.095
    Gebj18s 18 35 23 16.5 21.9 0.3 0.6 25 74 15 0.14
    Gebj20 20 40 25 18 24.4 0.3 0.6 30 89 15 0.18
    Gebj22s 22 42 28 20 25.8 0.3 0.6 36 108 15 0.21
    Gebj25 25 47 31 22 29.6 0.6 0.6 45 130 15 0.35
    Gebj30s 30 55 37 25 34.8 0.6 0.6 61 178 15 0.56

    Gebj ... s

    GEBJ ... S Sferni ravni ležaj važan je ležaj koji se široko koristi u različitim strojevima i inženjerskoj opremi, s jedinstvenim karakteristikama dizajna i performansi. Sastoji se od unutarnjeg pr...
    Parametri proizvoda
    Gebj ... s