W serija Ležajevi valjka
W serija Ležajevi valjka
W serija Ležajevi valjka

W serija

W serije Orbitalni valjci su precizni ležajevi posebno dizajnirani tako da izdrže velika opterećenja i ekstremne radne uvjete. Naširoko se koriste u željeznicama, rudarstvu i teškim strojevima i drugim poljima. Glavna značajka ove vrste ležaja je upotreba valjaka kao valjanih elemenata. U usporedbi s tradicionalnim kugličnim ležajevima, valjci mogu osigurati veće kontakt površine, tako da imaju veći kapacitet opterećenja i bolji otpor na deformaciju. Orbitalni valjci serije W serije obično su izrađeni od čelika visoke čvrstoće, a površina je posebno tretirana da ima dobru otpornost na habanje i otpornost na koroziju. Uz to, dizajnirani su za smanjenje trenja i buke, poboljšanje radne učinkovitosti i proširivanje života. Raznoliki dizajn proizvoda W serije omogućuje im da se prilagode potrebama različitih radnih okruženja i osiguravaju učinkovit i stabilan rad opreme.

Pošalji upit

Parametri proizvoda

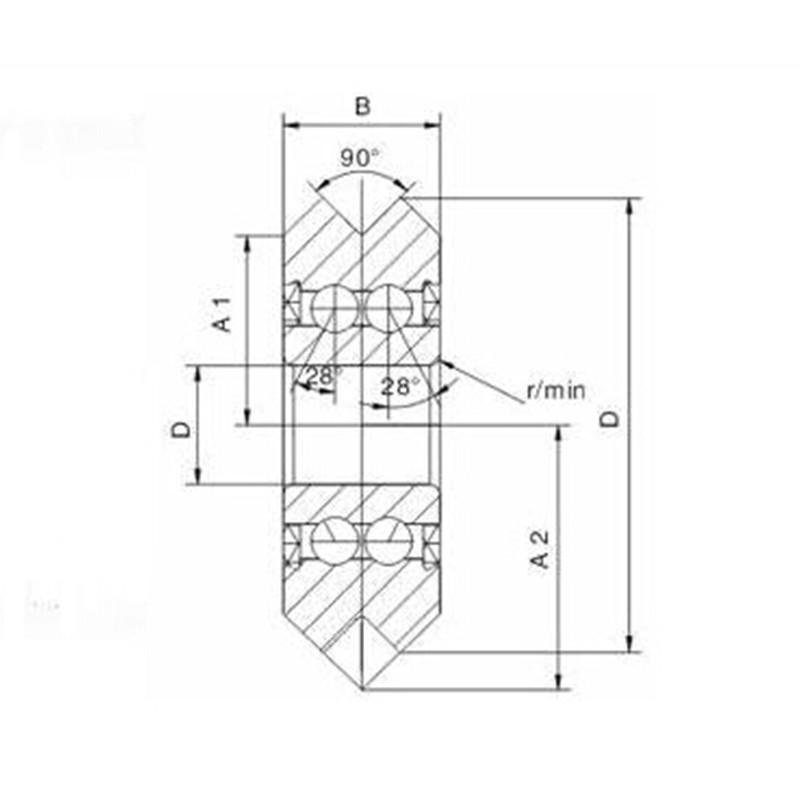
Tip Dimenzije (mm) Chamfer (r/min) Opterećenje (KN)
d D B A1 A2
W0 4 14.84 6.35 5.94 9.12 0.3 1
W0x 4 14.84 6.35 5.94 9.12 0.3 1
W1 4.763 19.56 7.87 7.9. 11.86 0.3 2.2
W1x 4.763 19.56 7.87 7.93 11.86 0.3 2.2
W2 9.525 30.73 11.1 12.7 18.24 0.3 4.9
W2x 9.525 30.73 11.1 12.7 18.24 0.3 4.9
W3 12 45.72 15.88 19.05 26.98 0.6 9.4
W3x 12 45.72 15.88 19.05 26.98 0.6 9.4
W4 15 59.94 19.05 25.4 34.93 1 14.8
W4x 15 59.94 19.05 25.4 34.93 1 14.8
W4xl 22 75.39 25.4 31.75 44.45 1.1 20.6
W4xxl 22 75.39 25.4 31.75 44.45 1.1 20.6
W1SSX 4.763 19.56 7.87 7.93 11.86 0.3 2.2
W2SSX 9.525 30.73 11.1 12.7 18.24 0.3 4.9
W3SSX 12 45.72 15.88 19.05 26.98 0.6 9.4
W4SSX 15 59.94 19.05 25.4 34.93 1 14.8

O nama Yinin

Tvrtka za ležaj i prijenos Shanghai Yinin Osnovani 2009. godine, s više od 20 godina iskustva u području ležajeva. Mi smo kineski W serija Ležajevi valjka proizvođač i pružamo Prilagođene W serija Ležajevi valjka Tvornice. Od 1999. godine djelujemo kao agent kineskih proizvođača ležajeva, izvozeći razne ležajeve. Danas smo se razvili u sveobuhvatnu grupu za ležajeve koja integrira prodaju i proizvodnju.

Primjena u industriji

Ležaji također igraju vrlo važnu ulogu u poljoprivrednim strojevima. Koriste se za podršku rotira...

Ležajevi se široko koriste u automobilima. Oni su ključ koji podržavaju i rotiraju dijelovi mnogi...

Koristi se za podršku, visinu, kut, spoj i rotirajuće dijelove medicinske opreme. $

Koristi se za podršku, rotaciju, motorni i kompresorski dijelovi kućanskih aparata. $

Koristi se za rotaciju i kretanje podrške i vodiča dijelova opreme za automatizaciju

U građevinskim strukturama ležajevi se mogu koristiti za povezivanje različitih strukturnih kompo...

U procesu proizvodnje hrane i pića potrebne su pumpe za transport tekućine, a kompresori se koris...

Ležajevi se koriste u motorima zrakoplova i svemirskih letjelica za podupiranje rotirajućih kompo...

Vijesti i informacije

Saznajte više

2025-10-30

Application and Selection Recommendations of Deep Groov...
The deep groove ball bearing is the workhorse of the electric motor industry, serving as a critical component in everything from small appliance motors to large industrial drives. Its versatility, rel...

2025-10-24

Deep Groove Ball Bearing Installation Direction and Pre...
Proper installation is the most critical factor determining the performance, accuracy, and service life of a deep groove ball bearing. Unlike tapered roller bearings, a common point of confusion surro...

2025-10-17

How to Judge the Service Life and Wear Degree of Deep G...
Deep groove ball bearings are among the most common and versatile bearing types, found in everything from small electric motors to heavy industrial machinery. Their reliability is critical, but like a...

Kontaktirajte nas

SUBMIT

Tehničko savjetovanje

  • Tvrtka za ležaj i prijenos Shanghai Yinin

    Prilagođena rješenja

  • Tvrtka za ležaj i prijenos Shanghai Yinin

    Kontinuirano istraživanje i razvoj

  • Tvrtka za ležaj i prijenos Shanghai Yinin

    Kontrola kvalitete

  • Tvrtka za ležaj i prijenos Shanghai Yinin

    Tehnička podrška i obuka

  • Tvrtka za ležaj i prijenos Shanghai Yinin

    Brzi odgovor

Ako imate bilo kakve tehničke konzultacije ili povratne informacije, pružit ćemo vam najprofesionalniji odgovor u najkraćem mogućem roku!

Kontaktirajte nas